


| 参数 | Specifications | 技术指标/Technique |
| 额定量程 | Capacity | 50,100,200,500N 1,2,5,10,20kN |
| 额定输出 | Rated output | 1.5±20%mV/V |
| 零点输出 | Zero balance | ±0.05%F.S. |
| 非线性 | Non-linearity | 0.20%F.S. |
| 滞后 | Hysteresis | 0.20%F.S. |
| 重复性 | Repeatability | 0.10%F.S. |
| 输入电阻 | Inputimpeda nce | 800~1100Ω |
| 输出电阻 | Outputimpeda nce | 800~1100Ω |
| 绝缘电阻 | Insulation | ≥5000MΩ/100VDC |
| 激励电压 | Recommended excitation | 5~15V |
| 最大激励电压 | Maximum excitation Voltage | 20V |
| 温度补偿范围 | Compensated temp range | -10~60℃ |
| 工作温度范围 | Operation temp range | -20~80℃ |
| 温度灵敏度漂移 | Temp.effect on output | 0.05%F.S./10℃ |
| 零点温度漂移 | Temp.effect on zero | 0.05%F.S./10℃ |
| 安全超载 | Saf overload | 150%F.S. |
| 极限超载 | Ultimate overload | 200%F.S. |
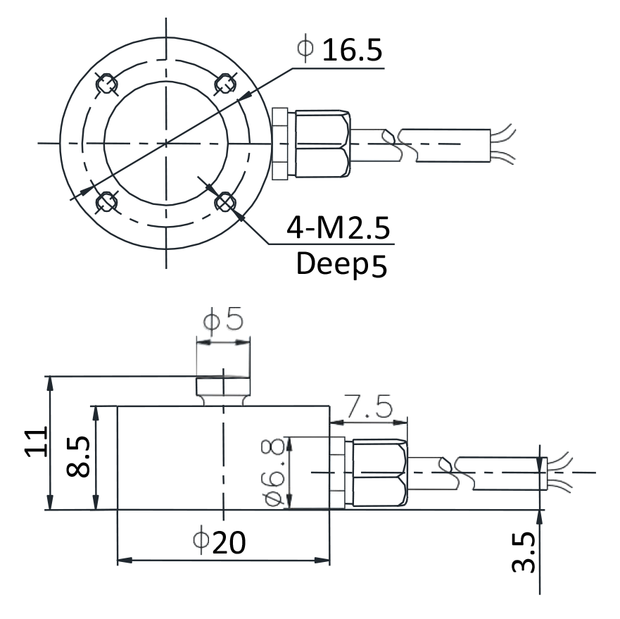
| 电缆线尺寸 | Cable size | Ф3x3000mm |
| 材料 | Material | Stainless Steel(不锈钢) |